|
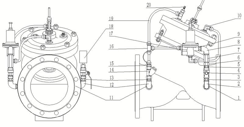
AX742X多功能安全持壓泄壓閥原理作用: AX742X多功能安全持壓泄壓閥是以管道介質壓力為動力,進行啟閉、調節的閥門。AX742X多功能安全持壓泄壓閥由一個主閥和附設的導管、針閥、球閥和壓力表等組成,根據使用的目的、功能場所的不同,可演變成遙控浮球閥、減壓閥、緩閉止回閥、流量控制器、泄壓閥、水泵控制閥、水力電動控制閥、緊急關閉閥。AX742X多功能安全持壓泄壓閥按結構可分為隔膜型和活塞型兩類。 AX742X多功能安全持壓泄壓閥安裝在高層建筑、消防給水系統以及其它給水系統的管道上,當給水管路中壓力超過泄壓閥設定壓力時,AX742X安全泄壓/持壓閥自動開啟快速泄壓,保護管線的安全,也可作持壓閥用,保障主閥上游的供水壓力。當管道從進水端給水時,水流過針閥進入主閥控制室,出口壓力通過導管作用到導閥上,當出口壓力高于導閥設定值時,導閥關閉,控制室停止排水,此時主閥控制室內壓力升高并關閉主閥,出口壓力不再升高;當出口壓力降到導閥設定壓力時導閥開啟,控制室向下游排水,由于導閥的排水量大于針閥的進水量,主閥控制室壓力下降,進口壓力使主閥開啟;穩定狀態下,控制室進水、排水相同,開度不變,出口壓力不變。調節導閥彈簧即可設定出口壓力。 AX742X多功能安全持壓泄壓閥性能特點: ①壓力控制穩定可靠。導閥、主閥連續工作,下游壓力變化連續、平穩,受進口壓力影響小; ②操作方便。工作壓力調定后,當上游壓力或流量變動時主閥自動調節,穩定了下游壓力; ③閥體采用了全通道、直流式、流線型設計。水力損失小,節能效果好。 AX742X多功能安全持壓泄壓閥技術參數:
AX742X多功能安全持壓泄壓閥部件材質:
AX742X多功能安全持壓泄壓閥外形尺寸: ![]()
|
|||||||||||||||||||||||||||||||||||||||||||||||||||||||||||||||||||||||||||||||||||||||||||||||||||||||||||||||||||||||||||||||||||||||||||||||||||||||||||||||||||||||||||||||||||||||||||||||||||||||||||||||||||||||||||||||||||||||||||||||||||||||||||||||||||||||||||||||||||||||||||||||||||||
-
工作壓力調定后,當上游壓力或流量變動時主閥自動調節,穩定了下游壓力。
-
導閥、主閥連續工作,下游壓力變化連續、平穩,受進口壓力影響小。
-
多功能安全持壓泄壓閥是以管道介質壓力為動力,進行啟閉、調節的閥門。
-
閥體采用了全通道、直流式、流線型設計。水力損失小,節能效果好。
-
多功能安全持壓泄壓閥安裝在高層建筑、消防給水系統以及其它給水系統的管道。
-
根據用戶提供的流量、壓力提供選型規格書及控制方案圖。


