|
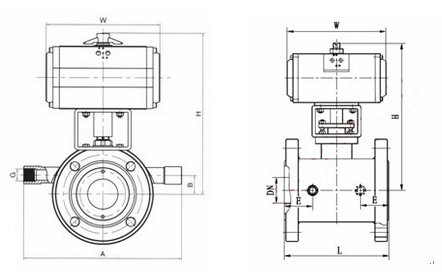
氣動保溫球閥概述: 氣動保溫球閥特別適合用于容易凝固、及高粘度的液體介質,具有良好的保溫保冷特性,防止物料結晶堵塞管道,尤其是一些不經常開關,物料流動性不是很好的場合。夾套保溫氣動球閥的通徑與管徑一致,同時又能有效降低管路中介質熱量損失。 氣動保溫球閥特點: 氣動保溫球閥根據使用工況不同,夾套可以是冷凝水,用于因為過熱而析出晶體,也可以用熱水、蒸汽和導熱油做伴熱用,其具有良好的保溫保冷特性,常用于輸送常溫下會凝固的高粘度介質。 氣動保溫球閥參數:
氣動保溫球閥應用: 氣動保溫球閥用于需要保持一定溫度,或者介質冷卻容易堵塞閥門,伴熱保溫。比如液流的保溫要求在135-145度,低于指標液流會凍結,如果閥門不用蒸汽夾套的話,會造成閥門無法操作,可用于石油、化工、冶金、制藥、食品等各類系統中。 氣動保溫球閥可選功能:
|
-
具有良好的保溫、保冷特性
-
GT、AT、AR、AW系列單雙作用氣動執行器。
-
適用范圍:城建、化工、冶金、石油、制藥、食品、飲料、環保。
-
結構簡單、體積小、重量輕。
-
夾套采用碳素鋼管焊接比鑄造的更加耐壓牢固。
-
根據用戶提供的流量、壓力提供選型規格書及控制方案圖。


